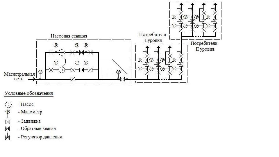
Применения — ЖКХШкаф управления холодным водоснабжением (ШУ ХВС)Шкаф управления холодным водоснабжением ШУ ХВС входит в систему управления подачей холодной воды в промышленные и жилые здания. В свою очередь, система ХВС может быть частью центрального теплового пункта или индивидуального теплового пункта (ЦТП или ИТП). Применение шкафов управления ХВС значительно улучшает эксплуатационные и экономические характеристики системы холодного водоснабжения зданий в целом. Система ХВС, оборудованная шкафами ШУ ХВС, выполняет следующие функции:
Основное используемое оборудование ОВЕН:
При использовании ШУ ХВС и данного способа автоматического управления, по расчётным данным и практическому опыту, экономится до 40 % электроэнергии и до 30 % воды, при этом давление воды поддерживается согласно требованиям СанПиН и СНиП.
Разработчик и исполнитель: «Инженерные традиции» Адрес: Москва, ул. Крылатская, 10 Контактное лицо – Барановский Александр E-mail: bar@intrad.ru 8-495-940-74-02; 8-499-140-73-69 |

