Применения — Машиностроение и металлообработкаДозирование лакокрасочных материалов с использованием приборов ОВЕНКомпания «Центромонтажавтоматика» (г. Смоленск) разработала для ООО «НПФ Стройпродукция» (г. Домодедово Московской области) автоматику весового дозирования лакокрасочных материалов.
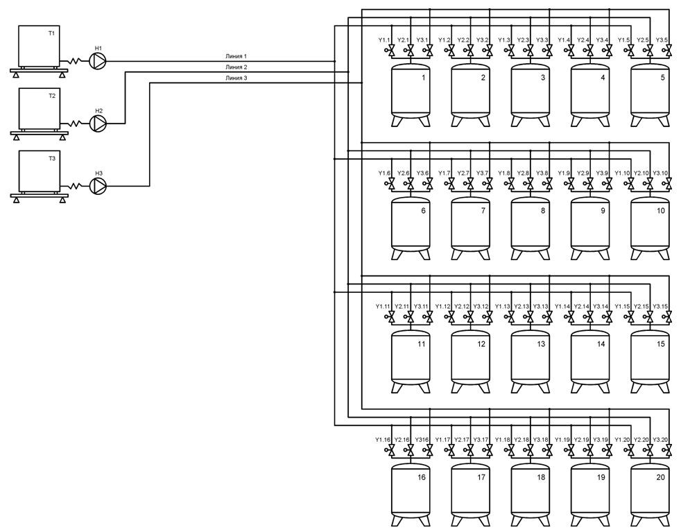
ООО «НПФ Стройпродукция» работает на рынке производства лакокрасочных материалов с 2000 года. Продукция научно-производственной фирмы используется на многих предприятиях РФ и СНГ. Помимо традиционных лакокрасочных материалов (эмали, грунтовки, краски) на предприятии ежегодно ставятся на поточное производство новые виды продукции. При этом значительное внимание уделяется автоматизации производственных процессов. ООО «НПФ Стройпродукция» обратилось к ЗАО «Центромонтажавтоматика» с целью разработки автоматической системы весового дозирования лакокрасочных материалов. На заводе имеется 20 оборудованных электрическими мешалками емкостей (дисольверы), в которые требуется дозировать три основных несмешиваемых компонента. Дозирование осуществляется за счет перекачивающих насосов из емкостей, установленных на весовых платформах типа «Геркулес П». На каждом из дисольверов установлено по три клапана, оборудованных пневмоприводами с концевыми выключателями. В общем виде технологическая схема установки представлена на рис. 1.
Изначально было принято построить систему автоматики на базе программируемого логического контроллера ОВЕН ПЛК110-220.60.Р-М. При этом для удобства эксплуатации для каждой из линий дозирования понадобилось применить свою панель оператора ОВЕН ИП320. Комплектные весовые терминалы не позволяли передавать информацию об измеренном весе по цифровой линии на контроллер ПЛК110, поэтому подключение тензодатчиков весовых платформ производилось напрямую к четырехканальному модулю ввода сигналов тензодатчиков ОВЕН МВ110-224.4ТД. Таким образом, для организации системы дозирования понадобилось следующее оборудование ОВЕН:
Одной из особенностей применения вышеперечисленного оборудования оказалось подключение трех панелей оператора ИП320 к одному контроллеру ПЛК110. Как известно, панель оператора ИП320 может работать в одном из режимов: SLAVE или MASTER. Подключение нескольких панелей оператора на один интерфейс связи (RS-485) возможно только в режиме SLAVE. Однако в этом случае наблюдается некоторая задержка в отображении информации на экранах и в реакции системы на нажатие на кнопки панелей оператора, что оказалось не приемлемо для заказчика. В режиме же MASTER такой задержки не наблюдается, но в этом случае на один интерфейс связи возможно подключить только одну панель оператора. Наличие же четырех интерфейсов в ПЛК110 (2×RS-485 и 2×RS-232) позволило подключить модули ввода/вывода в режиме SLAVE к одному интерфейсу RS-485 и три панели оператора в режиме MASTER к оставшимся интерфейсам RS-232 и RS-485. Еще одной из особенностей оказалась необходимость встраивания оборудования в уже существующие электрические шкафы управления. В виду того, что монтаж оборудования от компании ОВЕН не представляет больших сложностей, было принято, что ЗАО «Центромонтажавтоматика» (г. Смоленск) осуществляет покупку оборудования, программирование, составление электрических схем подключения и инструкции по эксплуатации, а заказчик уже на месте монтирует систему собственными силами. В результате проделанной работы получили систему со следующими основными функциями:
После запуска системы заказчик попросил сделать еще некоторую доработку алгоритма работы, что мы осуществили даже без выезда специалиста на место. Мы доработали и выслали программу и инструкцию по ее загрузке заказчику, а он без каких-либо проблем самостоятельно ее загрузил в контроллер. Как видно, вышеописанная система дозирования не является сложной, однако реализовать ее без применения программируемого логического контроллера практически не возможно. Такие преимущества как компактность, функциональность, возможность интеграции в SCADA-системы для учета и управления делают контроллеры ОВЕН практически незаменимыми в решении подобных задач. Разработчик и исполнитель: ЗАО «Центромонтажавтоматика» г. Смоленск т. (4812) 35-14-95, ф. 55-74-25 E-mail: oao_cma@mail.ru Контактное лицо: Гильманов Альберт Раисович, начальник Смоленского монтажного участка |

